MOS管構成的緩沖器Buffer和漏極開路們OD門是數字電路非常重要的概念,怎么構成的;
反相器,線與邏輯怎么玩,又怎么用呢?
根據原理圖,真值表,應用典型電路全面了解基本的邏輯門,與門,或門,與非門。
半導體SS, TT, FF是怎么回事?
1. MOS管邏輯電路(與門,或門,非門等)作為硬件工程師,不能不懂芯片;而要想懂芯片,MOS管構成的各種基本邏輯電路必須熟記于心,才能夠更熟練的看懂芯片的框圖。場效應管(Field-Effect Transistor)通過不同的搭配可以構成各種各樣的門電路,如開篇所說,這些最基本的單元電路或許是現代IC的基礎。以下的電路形式在常用的74系列的芯片中大量存在著,之后介紹的OD門,緩沖器則常見于芯片的GPIO口等管腳的設計。


MOS管構成基本的與門、或門電路與門可以由六個管子構成,通過示意圖應該能更清楚看出與門的工作示意圖,然后由真值表可以看出輸入輸出的對應關系。本文中給出與門的對應電路,如有興趣,大家可以思考或門的電路結構,其實二者是存在對應關系的。


2. 反相器下圖則給出了反相器的電路圖,輸入和輸出狀態相反,謂之反相器。


電路分析:輸入Vi為低電平時,上管導通,下管截止,輸出為高電平;輸入Vi為高電平時,上管截止,下管導通,輸出為低電平。
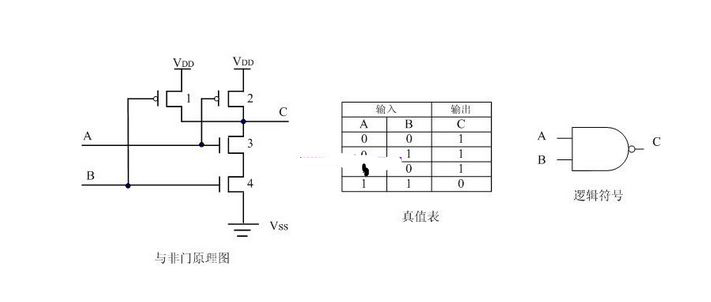
與非門下圖則給出了與非門的電路圖,與非門也就是同為零,異為一。


當A,B輸入均為低電平時,1,2管導通,3,4管截止,C端電壓與Vdd一致,輸出高電平。當A輸入高電平,B輸入低電平,1,3管導通,2,4管截止,C端電位與1管的漏極保持一致,輸出高電平。當A輸入低電平,B輸入高電平,2,4導通,1,3管截止,C端電位與2管的漏極保持一致,輸出高電平。當A,B輸入均為高電平時,1,2管截止,3,4管導通,C端電壓與地一致,輸出低電平。
4. 緩沖器BufferCMOS緩沖器(buffer),緩沖器跟反相器是對立的,緩沖器輸入與輸出相同,反相器輸入與輸出相反。


電路分析:前面一級Q1,Q2組成了一個反相器;后面一級Q3,Q4又構成了一個反相器,相當于反了兩次相,于是又還原了。5. 漏極開路門漏極開路門是一個十分經典常用的電路,常見于主芯片的GPIO口或者單片機的GPIO口的設計中。要最重要的一點就是:漏極開路是高阻態,一般應用需要接上拉電阻。


【漏極開路門的應用-線與邏輯】Z=z1z2z3


“線與”邏輯是因為多個邏輯單元的輸出的三極管,共用一個上拉電阻,只要一個邏輯單元輸出低電平,即集電極(漏極)開路輸出的管子導通,那么輸出低電平;而只有全部單元截止,輸出端被上拉電阻置為高電平,這是一個很實用的電路,可以用于邏輯仲裁等電路系統中。

〈烜芯微/XXW〉專業制造二極管,三極管,MOS管,橋堆等,20年,工廠直銷省20%,上萬家電路電器生產企業選用,專業的工程師幫您穩定好每一批產品,如果您有遇到什么需要幫助解決的,可以直接聯系下方的聯系號碼或加QQ/微信,由我們的銷售經理給您精準的報價以及產品介紹
聯系號碼:18923864027(同微信)
QQ:709211280

