步進電機驅動原理
步進電機屬于無刷直流(BLDC)電機,它按照等長的步進值逐步轉動。
步進電機又叫脈沖電機,基于最基本的電磁鐵原理,是一種可以自由回轉的電磁鐵,其動作原理是依靠氣隙磁導的變化來產生電磁轉矩。它可以將電脈沖信號轉化成相應角位移或線位移,每輸入一個脈沖信號,轉子就轉動一個角度或前進一步,其輸出的角位移或線位移與輸入的脈沖數成正比,轉速與脈沖頻率成正比。
雙極性步進電機
雙極性步進電機結構簡化示意圖:




雙全橋驅動電路圖
雙極性步進電機具有三種控制模式:單相步進、整步步進和半步步進。
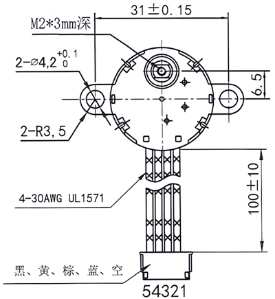
五線步進減速電機
下圖為五線步進減速電機外形圖及接線示意圖,五線電機多出的一根線是公共電源線,接到外部的5V或者12V電源,這根線從電機內部的兩個線圈的中間抽頭引出,并短接在一起。




五線的步進電機可以通過達林頓管的方式進行驅動,也是目前最為常見的驅動方式。在使用達林頓管驅動時,線圈電流的方向都是固定的從公共端流入,再從另外的四根線的端口流出,這種驅動方式也叫單極性驅動。
四線步進減速電機
下圖為四線步進減速電機外形圖及接線示意圖,四線的步進電機則需要通過全橋電路進行驅動。在正常驅動時,線圈內部電流有正、負兩個方向,這種驅動方式也被稱為雙極性驅動;




四線的步進電機,廠家一般會在規格書上推薦用2-2相勵磁的方式進行驅動;而五線的步進電機則會建議使用1-2相勵磁的方式來驅動。
驅動方式
每一步都是兩個線圈同時勵磁,故被稱為2-2相勵磁。線圈磁場方向也就是電機受力方向與電流方向存在固定的角度對應關系,因此電機的受力方向可以轉換成電流矢量合成圖來表示(見下圖)。該圖展示的是一個電氣周期/驅動周期內電流矢量的變化情況,A相電流和B相電流分別影響兩個不同方向分量的力矩。


在初始時刻,A相電流和B相電流同時為正,電流合成矢量指向STEP1,電機的轉子被吸引至STEP1方向上;
再下一步,A相電流由正變負,電流合成矢量指向了STEP2,電機轉子也被吸引至STEP2方向上,電機就轉動了一個步距角。
再下一步,A相電流保持負,B相電流由正變負,電流合成矢量指向STEP3,電機轉子被吸引至STEP3方向上,電機再次轉動一個步距角。
以此類推,不斷的改變A、B相電流的方向,即可讓轉子持續的轉動。轉子轉動4個步距角之后,又會回到STEP1的方向上,整個電氣周期共4步,被稱為四拍驅動。
1-2相勵磁相較2-2相勵磁,多了單個線圈獨立勵磁,因此被稱為1-2相勵磁。


下圖是1-2相勵磁的勵磁順序表,對于五線的步進電機,電機線圈結構會有些許差異,但驅動步進電機的核心原則是不變的,原本一個可以產生兩個相反方向磁場的線圈被拆分成了兩個單極性線圈,分別產生兩個方向的磁場。
通過控制四個線圈的電流通斷,來控制電流合成矢量的方向,讓電機轉動。在這種驅動方式下,一個電氣周期共八拍,也被稱為八拍驅動。
〈烜芯微/XXW〉專業制造二極管,三極管,MOS管,橋堆等,20年,工廠直銷省20%,上萬家電路電器生產企業選用,專業的工程師幫您穩定好每一批產品,如果您有遇到什么需要幫助解決的,可以直接聯系下方的聯系號碼或加QQ/微信,由我們的銷售經理給您精準的報價以及產品介紹
聯系號碼:18923864027(同微信)
QQ:709211280

