2SK3018場效應管,2SK3018參數中文資料,2SK3018引腳圖,2SK3018工作原理PDF

2SK3018 SOT-23參數封裝:點擊查看

2SK3018封裝有SOT-23/SOT-323/SOT-523
2SK3018場效應管參數如下:
極性:NPN
Drain-Source Voltage 漏源電壓Vds:30V
Gate-Source Voltage 柵源電壓Vgs:±20V
Continuous Drain Current 漏極電流Id Tc=25℃:100mA
Continuous Drain Current 漏極電流Id Tc=100℃:A
Power Dissipation 功率損耗Pd:200mW
Static Drain-Source On-Resistance 導通電阻ID=10mA,VGS=4V:Typ 5Ω Max 8Ω
Junction and Storage Temperature Range 溫度范圍:-55~+150℃
2SK3018場效應管/SOT-23封裝尺寸:

2SK3018場效應管/SOT-323封裝尺寸:

2SK3018場效應管/SOT-323封裝尺寸:

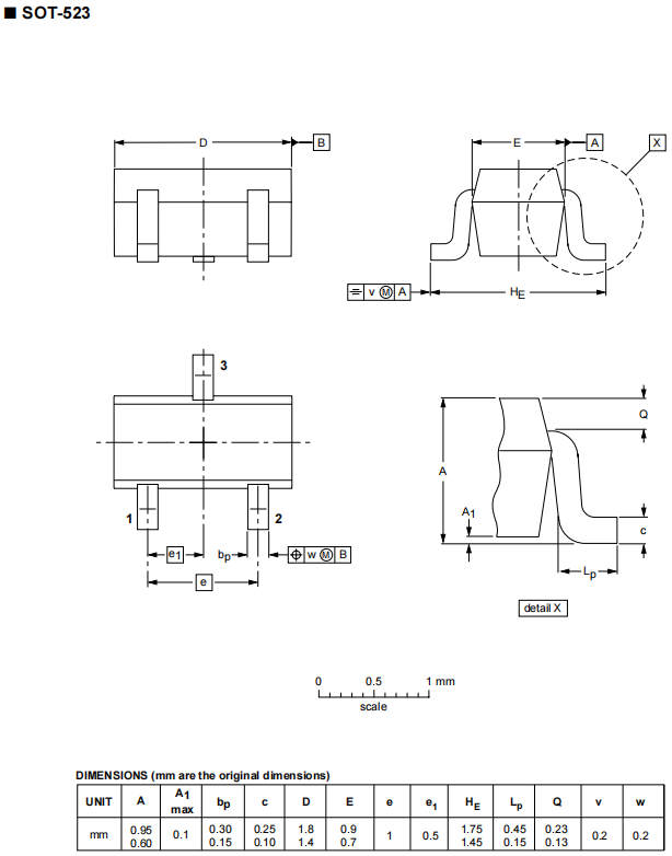
2SK3018場效應管/SOT-523封裝尺寸:

〈烜芯微/XXW〉專業制造二極管,三極管,MOS管,橋堆等,20年,工廠直銷省20%,上萬家電路電器生產企業選用,專業的工程師幫您穩定好每一批產品,如果您有遇到什么需要幫助解決的,可以直接聯系下方的聯系號碼或加QQ/微信,由我們的銷售經理給您精準的報價以及產品介紹
聯系號碼:18923864027(同微信)
QQ:709211280


